| 时间:2021-01-19 | 编辑:E航小E | 阅读:1062 | 分享: |
导读
柴油机启动是曲轴在外力作用下开始转动到能够自动怠速运转的过程,柴油机在静止状态过渡到工作状态,必须先靠外力转动柴油机的曲轴,使活塞作往复运动,同时雾化良好的柴油能准确、及时地喷入燃烧室内,并且燃烧室里的压缩空气要达到足够的温度才能发火、爆发,使汽缸内的可燃混合气燃烧膨胀作功,推动活塞运动使曲轴旋转。
柴油机无法正常启动是柴油机使用过程中的常见故障之一,分析查找原因就应该从柴油机启动运转原理上着手。
一
柴油机启动故障的一般性原因
一般情况下,影响柴油机正常启动的原因主要有以下几方面:
1)启动系统故障。
启动空气压力太低,空气启动马达卡滞或损坏,启动空气电磁阀打不开,柴油机启动转速低等。
2)进排气系统故障。
空气滤器滤芯脏污堵塞,空气进气挡板未打开,气门间隙过小,进排气阀、活塞环、汽缸盖漏气等。
3)燃油系统故障。
燃油供油量不足,燃油系统中掺杂空气,燃油齿条处于零位或卡滞,燃油电磁阀打不开,喷油器脏污堵塞,喷油泵柱塞卡滞,喷油提前角不对,燃油速关阀未打开等。
4)淡水预热系统故障。
冷却淡水温度太低,柴油机未能充分暖机等。
5)电子调速器、传感器等其他故障。
停车电磁阀故障,传感器损坏或无信号,传感器误差过大,调速器执行机构位置调整不当等。
二
故障情况介绍
某船装有4台MWM TBD620V12型发电柴油机。

该型柴油机为4冲程、水冷、增压柴油机,
汽缸数:12个;
缸径:170mm;
行程:195mm;
额定转速:1500r/min;
功率:1250kW;
气动马达启动,最低点火转速150r/min,
配有 E6一V数字式电子调速器。
2#发电柴油机修后试验时出现无法启动故障,主要现象为按下机旁控制箱启动按钮,启动空气电磁阀通电阀门打开,启动空气驱动气动马达,使马达传动轴伸出,传动齿轮与柴油机飞轮齿圈啮合,带动柴油机飞轮转动,转动约2S后,气动马达传动轴缩回,马达传动齿轮与柴油机飞轮齿圈脱开,柴油机启动失败。
再重复启动3次,仍是启动失败,故障现象如上,启动时观察柴油机转速80r/min左 右。
三
故障原因分析及解决措施
通过故障现象判断,主要原因可能是启动系统故障,分别从启动空气的接通、气压要求和相关运动部件工作情况,进行逐项分析排查。
首先启动时启动空气电磁阀通电,能够正常打开,使启动空气进入到气动马达,认为电磁阀工作正常;
其次对空气启动系统密性和压力进行检查 ,均正常;
最后检查气动马达,当启动空气进入到气动马达后,控制空气推动推杆活塞使马达传动轴伸出,同时推动主阀动作,使启动空气进入气动马达,传动齿轮与柴油机飞轮齿圈啮合后,带动柴油机飞轮转动,可能存在马达内漏、阻塞或膜片损坏等故障,造成此故障现象。
对启动马达分解检修,经检查各零部件未发现异常,清洁后组装恢复。
再次进行启动,柴油机仍启动失败,故障现象同以前一样。
根据故障现象马达带动柴油机只运转约2S,且柴油机转速达不到最低点火速度150r/min要求,认为故障原因仍应是启动系统故障,只是故障点没检查到。
已经检查或修理的不做怀疑重点,启动空气的接通、气压要求和相关运动部件均工作正常,那还有什么原因能引发上述的故障现象呢?
通过进一步深入分析故障过程,除了已检查的3个方面,应该还有一种情况可以引发此故障现象,有可能是启动空气被切断造成的。
将电磁阀拆下进行通电试验,发现通电后电磁阀磁铁有吸合动作,但约2S左右,电磁阀磁铁脱开,此时仍处于通电状态,正常电磁阀磁铁应保持吸合,说明电磁阀存在故障。
更换新电磁阀后继续进行启动试验,柴油机依旧启动失败,这次故障动作现象与上次基本相同,只是启动运转时间不同,气动马达带动柴油机运转3—4s,此时柴油机转速120r/min左右。
分析是电磁阀提前关闭,切断了启动空气,由于启动时间短,柴油机转速达不到最低点火速度。
需进一步查找电磁阀提早关闭的原因。
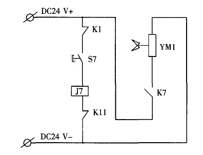
从柴油机的启动停止控制原理上进一步分析原因,柴油机启动停止控制原理图如图1所示,

图1 柴油机启动停止控制原理图
常闭触点K1、K11串接在启动回路中,当按下柴油机机旁启动按钮S7时,继电器J7得电,其常开触点K7闭合,启动空气电磁阀YM1得电阀门打开,启动空气接通气动马达运转,带动柴油机运转。
如果启动过程中启动回路常闭触点K1、K11任何一个断开,都会造成继电器J7失 电,同时常开触点K7断开,使启动空气电磁阀YM1失电,阀门关闭,造成启动空气切断,气动马达停止。
结合柴油机机旁控制部分原理图 (如图2所示 ),

图2 柴油机机旁控制部分原理图
进一步分析常闭触点K1、K11的断开条件。首先常闭触点K11断开条件为继电器J11得电,也就是急停断气阀位置开关ST1、ST2中有任何一个闭合。
当按下紧急停机按钮S10,继电器J5得电,其常开触点K5闭合,紧急停机断气阀 YV1、YV2中有任何一个关闭时,即相对应的急停断气阀位置开关ST1、ST2闭合 ,继电器J11才能得电,其常闭触点K11才能断开,从而使继电器J7失电,闭合触点 K7断开,启动空气阀YM1关闭。
而在启动过程中,没有执行紧急停车操作,急停断气阀也没有动作,急停断气阀位置开关ST1、ST2均处于断开状态,继电器J11一直处于失电状态,不会造成启动空气阀YM1关闭,可以排除继电器J11故障。
常闭触点K1的断开条件为继电器J1得电,它是由PLC中央处理模块M9控制,M9采集转速传感器L2的转速信号,当转速达到200r/min时,经PLC程序控制输出,使继电器J1得电,其常闭触点K1断开,从而继电器J7失电,闭合触点K7断开,启动空气阀YM1关闭。
表面来看启动时柴油机转速只达到120r/min左右,不具备继电器J1得电的输入条件,但深入分析如果转速传感器L2故障,输入到PLC的转速信号偏大 (达到200r/min,实际为120r/min左右 ),PLC 同样会有输出,使继电器J1得电,常闭触点K1断开,最终造成启动空气电磁阀断电,阀门关闭,启动空气切断气动马达停止。
从其它柴油机上拆下相同转速传感器装到 2#机组试验,柴油机成功启动,证实了转速传感器L2确实存在故障,自此2#发电柴油机无法启动故障点全部确定,故障现象排除。

四
结束语
此次2#发电柴油机启动故障的排除,虽然2个阶段故障现象相同,都是由于启动空气电磁阀关闭,切断了启动空气,使气动马达停止工作,造成柴油机转速达不到最低点火速度,柴油机启动失败,但引发故障的原因有2个:
一是启动空气电磁阀本身存在故障,使空气阀关闭;
二是转速传感器故障,输入到PLC转速信号偏大,导致M9发出错误指令,致使启动空气电磁阀失电,空气阀关闭。
因此遇到问题,不能局限于书本和以往工作的经验,应抓住故障现象细节,从原理上深入分析,搞清楚系统控制过程,这样才能少走弯路,起到事半功倍的效果。
原创作者系:
青岛前进船厂 程 远
END
来源:网络
电话:025-85511250 / 85511260 / 85511275
传真:025-85567816
邮箱:89655699@qq.com



