| 时间:2022-06-10 | 编辑:E航网 | 阅读:905 | 分享: |
点击蓝字“船机帮”关注我们
船机故障心莫慌,遇事不决船机帮
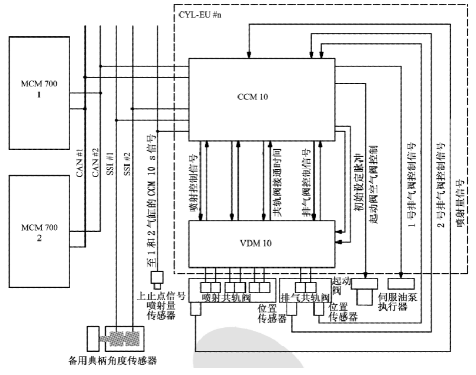
气缸控制模块CCM根据曲轴角度信号和VEO信号,发出开启排气阀的信号,该信号使排气电磁阀上位通,伺服油进入排气控制阀的控制端,进而进入执行油缸,活塞移动,把0.4MPa的液压 油增压推入排气阀的上油室,阀芯下移进行排气。同时,排气阀移动的位置由位置传感器进行监测,反馈给CCM,监视排气阀是否开启。
若一个位置传感器损坏,另一个传感器可继续使用,这时会给出报警信号。若两个传感器都损坏,CCM内部的固定动作程序仍然保持有效,排气阀仍能工作。
计算开启动作滞后时间是以0-15%的行程为终止,计算关闭动作滞后时间是以阀的15%-100%的阀行程为终止。
结 论
从柴油机技术发展的历程来看,其经历了高压油泵的应用、涡轮增压技术和电子控制技术三次飞跃,其中以电子控制技术的发展影响最大。
随着柴油机应用电子技术的不断发展,燃油共轨喷射系统将会广泛应用于船舶大型低速柴油机,使排放量符合公约的要求,且进一步改善船舶柴油机的经济性和可靠性。未来的船舶推进动力装置,智能化程度将会越来越高,以减轻轮机管理人员的劳动强度和减少船上人员配备。所以,电控柴油机极有可能完全取代传统的船用柴油机。
END
来源:船机帮
电话:025-85511250 / 85511260 / 85511275
传真:025-85567816
邮箱:89655699@qq.com



